CHA6005-99F - 8-12GHz HPA
Gain (dB)
22
Sat. Output Power (dBm)
32.5
Bias (mA)
350
Bias (V)
8
IP3 (dBm)
-
P-1dB OUT (dBm)
31.5
PAE (%)
38 @ 3dB comp
RF Bandwidth (GHz) Max
12
RF Bandwidth (GHz) Min
8
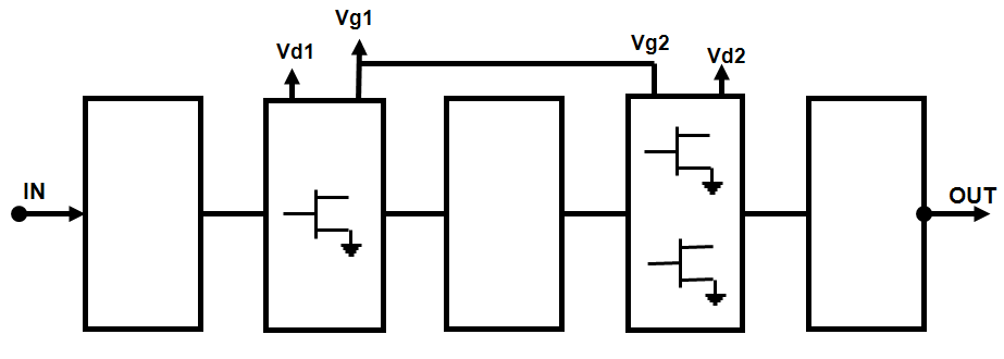
The CHA6005-99F is a High Power Amplifier monolithic circuit which integrates two stages and produces 32.5dBm output power associated to a high Power Added Efficiency of 38%.
It is designed for a wide range of applications, from defense to commercial communication systems.
The circuit is manufactured with a pHEMT process, 0.25µm gate length, via holes through the substrate, air bridges and electron beam gate lithography.
It is available in chip form.
Our latest Products
Get a glimpse of our latest product releases.