CHX3068-QDG - 15-30GHz Frequency Multiplier
Output Power (dBm)
20
30
Bias (mA)
270
Bias (V)
4
Input Bandwidth (GHz)
14
Output Bandwidth (GHz)
28
Xn
X2
Market
28-32GHz & VSAT Ka Chipset
The CHX3068-QDG is a Ka-band frequency multiplier monolithic integrated circuit. Typical applications are for telecommunication such as DVB-RCS.
The circuit is manufactured with a pHEMT process, 0.25µm gate length, via holes through the substrate, air bridges and electron beam gate lithography.
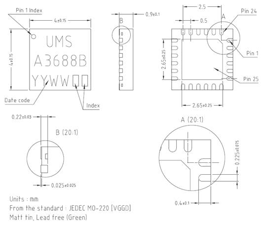
It is supplied in lead-free SMD package.
Our latest Products
Get a glimpse of our latest product releases.