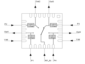
CHS2411-QDG - 23-26GHz reflective SP4T Switch
Isolation (dB)
35
Loss (dB)
2.9
P-1dB IN (dBm)
23.5
RF Bandwidth (GHz) Max
26
RF Bandwidth (GHz) Min
23
Type
reflective
Market
Automotive
The CHS2411-QDG (CHS2412-QDG, see Note) is a monolithic reflective SP4T switch in K-Band. Positive supply voltage only is required.
The circuit is manufactured with a standard pHEMT process, 0.25µm gate length, via holes through the substrate, air bridges and electron beam gate lithography.
The chip is delivered in a 24 Leads RoHS compliant QFN 4x4 package.
Our latest Products
Get a glimpse of our latest product releases.