CHA4102-QEG - S Band Digital VGA
Gain (dB)
20
Gain RX (dB)
DC
Gain TX (dB)
6
Sat. Output Power (dBm)
24.5
Bias (mA)
150
Bias (V)
5
Dynamic Range (dB)
31.5
NF RX (dB)
2.5
Noise Figure (dB)
-
Number of Bit Atten.
+/-0.5
P-1dB OUT (dBm)
23.5
Pout RX (dB)
6
Pout TX (dB)
31.5
RF Bandwidth (GHz) Min
2
RF Bandwidth (GHz) Max
4
Market
Aerospace, Defense and Instrumentation
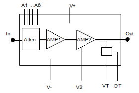
The CHA4102-QEG is a Variable Gain Amplifier monolithic circuit which integrates a 6 bit digital attenuator and a 2 stage driver amplifier producing 20dB gain, 23.5dBm output power and 31.5dB dynamic attenuator range.
It is designed for a wide range of applications, from military to commercial communication systems.
The circuit is manufactured with a pHEMT process, 0.25µm gate length, via holes through the substrate, air bridges and electron beam gate lithography.
Our latest Products
Get a glimpse of our latest product releases.