CHA3666-99F - 6-17GHz LNA
Gain (dB)
21
Gain Flatness (+/-dB)
0.5
Bias (mA)
80
Bias (V)
4
Noise Figure (dB)
1.8
P-1dB OUT (dBm)
17
RF Bandwidth (GHz) Max
17
RF Bandwidth (GHz) Min
6
Market
6-18GHz Chipset
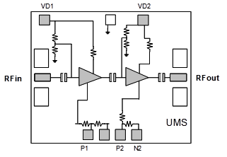
The CHA3666-99F is a two-stage self biased wide band monolithic Low Noise Amplifier.
The circuit is manufactured with a standard pHEMT process: 0.25µm gate length, via holes through the substrate, air bridges and electron beam gate lithography.
Our latest Products
Get a glimpse of our latest product releases.