CHA2193-99F - 20-30GHz LNA
Gain (dB)
18
Gain Flatness (+/-dB)
0.5
Bias (mA)
60
Bias (V)
3.5
Noise Figure (dB)
2
P-1dB OUT (dBm)
8
RF Bandwidth (GHz) Max
30
RF Bandwidth (GHz) Min
20
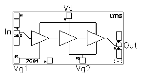
The CHA2193-99F is a three stage Low Noise Amplifier. The backside of the chip is both RF and DC grounds. This helps simplify the assembly process.
It is designed for a wide range of applications, from military to commercial communication systems.
The circuit is manufactured with a pHEMT process, 0.25µm gate length, via holes through the substrate, air bridges and electron beam gate lithography.
It is available in chip form.
Our latest Products
Get a glimpse of our latest product releases.